DSolveValue[eqn,expr,x]
给出由独立变量为 x 的常微分方程 eqn 的符号解确定的 expr 的值.
DSolveValue[eqn,expr,{x,xmin,xmax}]
使用 x 位于 xmin 和 xmax 之间的符号解.
DSolveValue[{eqn1,eqn2,…},expr,…]
使用一系列微分方程的符号解.
DSolveValue[eqn,expr,{x1,x2,…}]
使用偏微分方程 eqn 的解.
DSolveValue[eqn,expr,{x1,x2,…}∈Ω]
使用偏微分方程 eqn 在区域 Ω 上的解.


DSolveValue

DSolveValue[eqn,expr,x]
给出由独立变量为 x 的常微分方程 eqn 的符号解确定的 expr 的值.
DSolveValue[eqn,expr,{x,xmin,xmax}]
使用 x 位于 xmin 和 xmax 之间的符号解.
DSolveValue[{eqn1,eqn2,…},expr,…]
使用一系列微分方程的符号解.
DSolveValue[eqn,expr,{x1,x2,…}]
使用偏微分方程 eqn 的解.
DSolveValue[eqn,expr,{x1,x2,…}∈Ω]
使用偏微分方程 eqn 在区域 Ω 上的解.
更多信息和选项



- DSolveValue 可用来求解常微分方程 (ODE)、偏微分方程 (PDE)、微分代数方程 (DAE)、 时滞微分方程 (DDE)、积分方程、积分微分方程以及混合型微分方程.
- DSolveValue 的输出由关联函数 u 或 u[x] 的形式控制:
-
DSolveValue[eqn,u,x] f 其中 f 为纯函数 DSolveValue[eqn,u[x],x] f[x] 其中 f[x] 是关于 x 的表达式 - DSolveValue 会返回单个解,而 DSolve 能返回多个解.
- DSolveValue 的解可能含有不能明确计算结果的 Inactive 和与积分. 这种情况下,可使用变量 K[1]、K[2]、….
- DSolveValue[eqn,y[Infinity],x] 给出在 Infinity 解 y 的极限值.
- 可用 DSolveValue 求解的不同方程类型包括:
-
u'[x]f[x,u[x]] 常微分方程 a ∂xu[x,y]+b ∂yu[x,y]f 偏微分方程 f[u'[x],u[x],x]0 微分代数方程 u'[x]f[x,u[x-x1]] 时滞微分方程 u'[x]+ k[x,t]u[t]tf
积分微分方程 {…,WhenEvent[cond,u[x]g]} 混合型微分方程 - DSolveValue[u[t]->sys,resp,t] 可用于求解系统模型,其中 sys 可以是 TransferFunctionModel 或 StateSpaceModel,而响应 resp 可以是以下其中之一: »
-
"StateResponse" sys 对输入 的状态响应
"OutputResponse" sys 对输入 的输出响应
- DSolveValue[sys,resp,t] 可用于求解系统模型,其中 sys 可以是 TransferFunctionModel 或 StateSpaceModel,而响应 resp 可以是以下其中之一:
-
"ImpulseResponse" sys 对输入 DiracDelta[t] 的输出响应 "StepResponse" sys 对输入 UnitStep[t] 的输出响应 "RampRespone" sys 对输入 Ramp[t] 的输出响应 - 可以通过给出在特定点的方程,比如 u[x1]a、u'[x2]b 等等,指定常微分方程 (ODE) 和微分代数方程 (DAE) 的边界条件.
- 可以用方程 u[x,y1]a、Derivative[1,0][u][x,y1]b 等给出偏微分方程 (PDE) 的边界条件. 或是以 DirichletCondition[u[x,y]g[x,y],cond] 形式给出.
- 可以利用历史函数 g[x], 以 u[x/;x<x0]g[x] 形式给出时滞微分方程 (DDE) 的初始条件.
- 还可以将 WhenEvent[event,action] 包含在方程 eqn 中,用来指定当 event 变成 True 时采取的 action.
- 规约 u∈Vectors[n] 或 u∈Matrices[{m,n}] 可用于分别表示因变量 u 是向量值变量或矩阵值变量.或者将 u 定义为 VectorSymbol 或 MatrixSymbol. » »
- 区域 Ω 可以是任意使 RegionQ[Ω] 为 True 的表达式.
- 对于不能进行符号式求解的微分方程,N[DSolveValue[...]] 会调用 NDSolve 或 ParametricNDSolve.
- 可以给出下列选项:
-
Assumptions $Assumptions 对参数的假设 DiscreteVariables {} 混合型方程的离散变量 GeneratedParameters C 怎样命名产生的参数 Method Automatic 使用什么方法 - GeneratedParameters 控制产生参数的形式;缺省情况下,对于常微分方程 (ODE) 和微分代数方程 (DAE),这些参数是常数 C[n],对于偏微分方程 (PDE),则为任意函数 C[n][…]. »
范例
打开所有单元 关闭所有单元范围 (118)
基本用法 (13)
绘制任意常数 C[1] 为两个不同的值时解的曲线:
如果符号解失败,应用 N[DSolveValue[…]] 调用 NDSolveValue:
线性微分方程 (5)
非线性微分方程 (3)
微分方程组 (8)
或者将 定义为 VectorSymbol:
或者将 定义为 MatrixSymbol:
混合微分方程 (8)
施图姆-刘维尔问题 (6)
利用 Assumptions 获取位于该范围内的特征函数:
积分方程 (6)
一阶偏微分方程 (7)
对任意函数 C[1] 作特定选择后的解:
双曲型偏微分方程 (11)
椭圆型偏微分方程 (9)
一般偏微分方程 (6)
无论四个常数 C[k] 取何值,ψ 都满足方程及边界条件:
区域上的偏微分方程 (3)
从 Inactive 和中提取前 100 项:
分数阶微分方程 (8)
求解包含 0.7 阶 CaputoD 的分数微分方程:
系统模型 (9)
计算正弦输入时 StateSpaceModel 的 OutputResponse 和 StateResponse:
描述符 StateSpaceModel 的状态响应:
描述符 StateSpaceModel 的输出响应:
选项 (5)
Assumptions (1)
用 Assumptions 指定参数 λ 的范围:
GeneratedParameters (2)
Method (1)
获取以 DifferentialRoot 形式给出的解:
应用 (41)
常微分方程 (12)
计算 Infinity 处的极限值:
模拟移动传送带上的物块,该传送带通过弹簧固定在墙上. 比较系统参数(物块的质量、皮带速度、摩擦系数、弹簧常数)取不同值时的位置和速度:

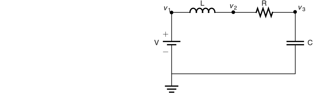
使用元件定律和基尔霍夫连接定律来模拟 RLC 电路对在时间 施加的电压
中的阶跃脉冲的响应:

当水通过管道从一个水箱流到另一个水箱时,模拟两个圆柱形水箱中水的高度变化:

混合微分方程 (8)
积分方程 (4)
等时降落问题要求找到一条向下的曲线,把珠子放在曲线任一位置,滑落到底的时间都相等. 把总的下降时间用曲线长度和速度 v 表示后,可以导出阿贝尔积分方程 . 通过关系
定义未知函数
并使用能量守恒方程
导出显式方程:
用 DSolveValue 求解积分方程:
让曲线从原点开始并积分——并假设被积函数是实数值的——导出以 为自变量的函数
:
代换 和
的值,用 ParametricPlot 显示极大等时降线:
变量替换 可以给出一个简单的、非奇异的曲线参数化形式,范围在
之间:
结合能量守恒方程和链式法则 可以得出下列以
为自变量的函数
的微分方程:


![TemplateBox[{{50, , {Cos, [, {2, , t}, ]}}, "dynes", dynes, "Dynes"}, QuantityTF] TemplateBox[{{50, , {Cos, [, {2, , t}, ]}}, "dynes", dynes, "Dynes"}, QuantityTF]](Files/DSolveValue.zh/54.png)
用 DSolveValue 求解积分微分方程:


用 DSolveValue 求解积分微分方程:
一个线性沃尔泰拉积分方程等价于一个线性微分方程的初值问题. 为下列沃尔泰拉方程验证这个关系:
用 DSolveValue 求解积分方程:
经典偏微分方程 (5)
一般偏微分方程 (5)
研究当粘性参数变成无限小的极限情况下,伯格斯方程对冲击波的平滑解的演变情况:
一个被限制在长度为 d 的一位盒上移动的电子遵守端点处狄利克雷条件下的自由薛定谔方程:
和中的每一项被称为定态,因为用正弦函数作为初始条件会使位置概率密度 与时间无关. 例如:
将初始数据归一化,以使密度的积分(在某处发现粒子的总概率)为 1:
任意其它初始条件,即便简单到只是两个定态的和,都会导致产生复杂的含时密度:
用国际单位制中的单位输入电子的质量和 的值,并将 d 设为典型的原子间距离,1 纳米,得到下列密度函数:
将图像作成概率密度电影,可以看出电子的“中心”在盒子两个边之间来回移动:
如果标的资产价格和执行价格都是 $100,无风险利率为 5%,资产波动幅度为 20%,偿还期限为一年,用布莱克–舒尔斯模型求欧洲香草买入期权的价值:
和 FinancialDerivative 给出的值进行比较:
系统模型 (5)
使用 UnilateralConvolve 以获得正弦输入的模型输出响应:
使用 DSolveValue 计算正弦输入的输出响应:
生产和库存系统模型的状态空间模型,以期望生产率和销售率为输入,以实际生产率和库存水平为状态:
确定在给定生产率和销售额从初始平衡条件跃升 10% 的情况下的响应:
Clohessy–Wiltshire 方程模拟了围绕中心天体运行的两颗卫星之间的相对运动:

使用 DSolveValue 以获得特定发射条件下的封闭相对轨道:
属性和关系 (12)
DSolveValue 返回解的表达式:
DSolve 返回解的规则:
对应于 Integrate 的微分方程:
用 NDSolveValue 求数值解:
使用 AsymptoticDSolveValue 找到渐进扩展:
用 DEigensystem 计算特征值和特征函数:
用 DSolveValue 计算脉冲响应:
用 InverseLaplaceTransform 执行同一计算:
如果符号解失败,用 N[DSolveValue[…]] 调用 NDSolveValue:
CompleteIntegral 求非线性偏微分方程 (PDE) 的完全积分:
DSolveValue 返回相同解,但带有警告信息:

使用 CompleteIntegral 求线性偏微分方程 (PDE) 的完全积分:
DSolveValue 返回此偏微分方程 (PDE) 的通解:
用 DFixedPoints 求由两个 ODE 组成的方程组的固定点:
用 DStabilityConditions 分析固定点的稳定性:
可能存在的问题 (5)
技术笔记
文本
Wolfram Research (2014),DSolveValue,Wolfram 语言函数,https://reference.wolfram.com/language/ref/DSolveValue.html (更新于 2025 年).
CMS
Wolfram 语言. 2014. "DSolveValue." Wolfram 语言与系统参考资料中心. Wolfram Research. 最新版本 2025. https://reference.wolfram.com/language/ref/DSolveValue.html.
APA
Wolfram 语言. (2014). DSolveValue. Wolfram 语言与系统参考资料中心. 追溯自 https://reference.wolfram.com/language/ref/DSolveValue.html 年
BibTeX
@misc{reference.wolfram_2025_dsolvevalue, author="Wolfram Research", title="{DSolveValue}", year="2025", howpublished="\url{https://reference.wolfram.com/language/ref/DSolveValue.html}", note=[Accessed: 05-October-2025]}
BibLaTeX
@online{reference.wolfram_2025_dsolvevalue, organization={Wolfram Research}, title={DSolveValue}, year={2025}, url={https://reference.wolfram.com/language/ref/DSolveValue.html}, note=[Accessed: 05-October-2025]}